NIS3071介紹:
NIS3071 是一款 4 個通道、每通道可以承受 60 V、2.5 A 的電子式保險絲,它可以保護下一級應用免受輸出短路、過載和過流事件的影響。每個通道均採用高側的配置,每個通道也都有其對應的啟用引腳,可以獨立控制。 NIS3071 可以透過公共的故障引腳(fault pin)傳達狀態之訊息。此電子保險絲具有內部軟啟動延遲(soft start)、時間控制(trip time)、以及所有通道共用的可調電流限制設定(current limit)。 NIS3071 非常適合工業和電信應用,
特色:
- 4 個獨立通道,每個通道具有 2.5 A 電流能力
- 每個通道的功率元件均具有熱保護
- 無需外部分流器
- 高電平有效數位啟用引腳
- 漏極開路常見故障腳
- 所有通道可調整過電流限制
- 可調開啟時間控制
- 這些裝置不含鉛且符合 RoHS 標準
方塊圖:
圖片引用onsemi原廠規格書資訊:(https://www.onsemi.com/products/power-management/protection/current-protection/NIS3071)
IC腳位:
圖片引用onsemi原廠規格書資訊:(https://www.onsemi.com/products/power-management/protection/current-protection/NIS3071)
作動方式:
基本操作 NIS3071 是一款電子式保險絲,在高側配置中具有四個自主的保護通道。它包含獨立監控每個通道的輸出電流和晶片溫度的電路。一旦輸入電壓施加到任何輸入端引腳,元件將根據控制電路的限制將輸入電壓施加到連接到輸出端的引腳並連接上下一級的負載。也可以使用同步輸入和同步輸出來操作該電子保險絲,從而將通道並聯以獲得更高的總輸出電流。當某一個通道未使用時,可以將輸入腳位(Inx Pin)和控制接腳接地(ENx Pin)。只要通道 FET 的溫度不超過晶片中的 175°C 限制,元件的每個通道就會保持開啟。
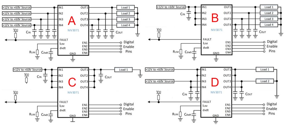
且依不同應用場合,NIS3071 提供了靈活性多種配置驅動各種負載方式:
A:4 個獨立電源,以 2.5A 連續電流驅動 4 個獨立負載。
B:單電源驅動 4 個獨立負載,每個負載持續電流為 2.5A。
C:在單通道中使用此裝置來驅動高達 10A 的連續負載電流。
D:2 個獨立電源,以每個 5A 連續電流驅動 2 個獨立負載。
圖片引用onsemi原廠規格書資訊:(https://www.onsemi.com/products/power-management/protection/current-protection/NIS3071)
過流保護電路將允許負載在 ITH 和 ICB 定義的允許過流限制內抽取該通道的電流。 (ITH 是由 RLIM 電阻設定的過流限制,ICB是斷路器級別,是ITH的2倍) 。如果一個通道中的負載電流超過 ITH 和 ICB 定義的限制,則該通道將隨之關閉,而其他通道可以繼續正常運作。
如果電流高於 ITH但低於 ICB設定; tTRIP 計數器將開始啟動。過電流現象在tTRIP 計數時間內移除,裝置將不會觸發保護。(tTRIP 計數器: 開啟時間電路輸出電壓線性升高。預設時間約為 1.5 ms。可以透過在 dvdt 引腳調整外部電容器來修改。)
過流保護電路作動機制可以參考下圖:
圖片引用onsemi原廠規格書資訊:(https://www.onsemi.com/products/power-management/protection/current-protection/NIS3071)
t1:電流高於 ITH(但低於 ICB); tTRIP 計數器啟動。
t2:在 tTRIP 定時器到期之前電流降至 ITH 以下。tTRIP計數器重設並繼續正常操作。
t3:電流高於 ITH(但低於 ICB);tTRIP計數器啟動。 請注意,只要負載低於 ICB 且裝置保持不變,負載端就會繼續汲取電流。此狀態需裝置低於熱關斷溫度(TSD)。
t4:由於電流持續高於ITH,且 tTRIP定時器計數已到期,或是裝置已達到熱關斷溫度 (TSD),因此裝置開始關閉。FAULT 腳位拉低。
t5:設備在 t4 之後的 tTSD 內關閉。
t6:當溫度降低 27°C 時,元件重新啟動(僅限自動重試版本;鎖定版本需要使用 EN 引腳手動重新啟動)。
t7:設備輸出已短路(或嚴重的電流過載狀況)。
t8:設備輸出電流已超過 ICB。 該裝置在 ICB 關斷時間 tCB 內立即關閉。 FAULT 腳位拉低。
t9:超過自動重試時間後設備重新啟動(僅限自動重試,Latch 版本需使用 EN 手動重新啟動)。
FAULT 接腳是一個開漏極低電平有效接腳,向系統控制器發出有關任何通道上發生過流事件的訊號。 如果發生熱關斷或過電流跳脫定時器溢位事件,FAULT 接腳將會被拉低。 故障清除後,該引腳將懸空或由外部上拉電阻上拉。 如果不使用,則該引腳可以保持未連接狀態。
FAULT 接腳作動真值表:
圖片引用onsemi原廠規格書資訊:(https://www.onsemi.com/products/power-management/protection/current-protection/NIS3071)
結語:
安森美 (onsemi) NIS3071是一款電子式保險絲,使用WQFN-16包裝。
有4個通道可以獨立或並聯使用,有軟啟動控制和個別通道的電流限制,是很適合應於工業控制應用,作為保險絲或是開關控制應用。
安森美官網上也有提供NIS3071評估板及用戶指南,包括評估板 輸入/輸出連接圖、電氣原理圖、以及評估板的材料清單 (BOM)。
評論