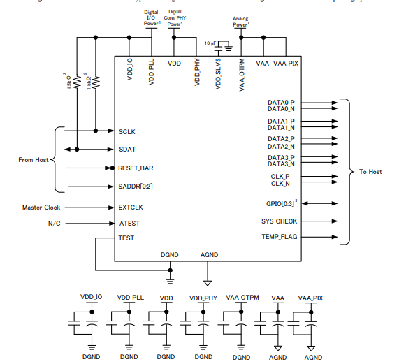
AR0820AT是一款1/2英寸CMOS數字圖像傳感器,具有3848 H x 2168 V有源像素陣列。這種先進的汽車傳感器捕捉圖像在線性或高動態範圍內,捲簾快門。AR0820AT針對低光和具有挑戰性的高動態範圍場景性能進行了優化,具有2.1 μ m DR - Pix BSI像素和on -傳感器140 dB HDR捕獲能力。該傳感器包括先進的功能,如像素分幀、窗口、視頻和單幀模式,以提供靈活的感光區域(ROI)或特定解析度,以提高在極低光照條件下的性能。AR0820AT上複雜的傳感器故障檢測功能和嵌入式數據旨在使相機符合ASIL B標準。該器件可通過簡單的雙線串行接口進行編程,支持MIPI輸出接口。
產品圖:

特性:
• High Performance 2.1 m Automotive Grade Backside Illuminated (BSI) Pixel with DR−Pix Technology
• Advanced On−Sensor HDR Reconstruct with Flexible Exposure Ratio Control
• Fast Full Resolution Video Capture of 3840 x 2160 at up to 40 fps in 3−exposure HDR and 30 fps in 4−exposure HDR
• Line interleaved T1/T2/T3/T4 output
• Real−time Functional Safety Mechanisms and Fault Detection
• ASIL−B and Safety Element Out of Context
• 2x2 In−pixel Binning Mode and Color Binning Mode
• 2x2 Scaling Mode
• Data Interface: 1.25 Gbps/Lane, 4−lane MIPI CSI−2
• Selectable Automatic or User Controlled Black Level Control
• Frame to Frame Switching Among up to 4 Contexts to Enable Multi−function Systems
• Multi−Camera Synchronization Support
• Multiple CFA Options including RGB, RCCB, and RYYCy
• AEC−Q100 Grade 2 Qualified
• This is a Pb−Free Device
應用:
•Front View ADAS
•Surround Sensing Camera
•In Cabin
•Robot Taxi
•Robot Delivery
•Autonomous Trucks

評論