
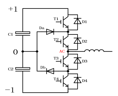
1. 在INPC三電平拓撲結構中, 每相的功率元器件總共有6個, 4個IGBT: T 1, T 2, T 3, T 4以及2個鉗位 極管二極體: Da, Db。2.4個I G BT的開關狀態組合可以組成不同的模態。
二. 三電平拓撲的模態分析
1. 將T1, T2, T3, T4的狀態分別用1和0表示,1表示開通,0表示關斷,可以有以下組合(假定電流的流向向內):

2. 從上表可以看出,INPC三電平電路的模態有5種。其中包括穩定態C, 6, 3以及過渡態4和2。
3. 在輸出狀態轉化時,為了避免橋臂直通的風險,通常會嵌入一定的死區時間。
這就意味著在狀態轉換時存在過渡態:
1100‐‐‐ C狀態
0100‐‐‐ 4狀態,C轉6過程中的死區
0110‐‐‐ 6狀態
0010‐‐‐ 2狀態,6轉3過程中的死區
0011‐‐‐ 3狀態
0010‐‐‐ 2狀態, 3轉6過程中的死區
0110‐‐‐ 6狀態
0100‐‐‐ 4狀態,6轉C過程中的死區
1100‐‐‐ C狀態
三. INPC三電平電路的換流過程分析
下面我們對每個模態進行逐個的分析。關於電流流向的假設:實際上,電流朝外流與電流朝內流是兩種對偶的情形,只需要分析其中一種電流方向即可,另一種情況是一樣的。在以下的分析中,我們假定電流朝內流。

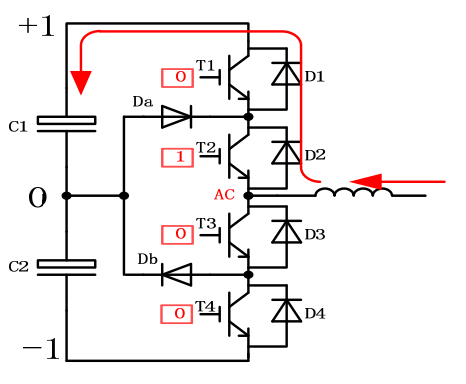
1. 狀態C➙4: IGBT從1100切換成0100
在這個時刻,T 1關斷,因為電流本來就沒有經過T 1,所以這個時刻電路內不發生任何換流行為, D1, D2仍然續流。
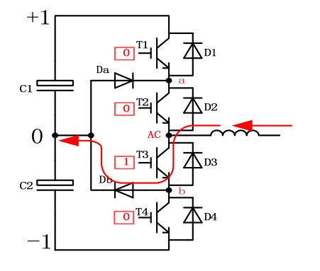
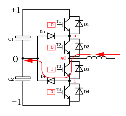
2. 狀態4➙6: IGBT從0100切換成0110
在這個時刻, T3開通, 發生以下換流行為, 因為T2一直是處於開通狀態,所以a 點電位總是等於AC的電位。T3開通時, Db也會導通, 形成如右圖紅色所示的換流迴路以及藍色所示負載電流。此時,b點的電位被迅速拉至0點,AC及a 的電位也會被拉至0點, 這意味著, D1被強迫關斷,D1會發生反向恢復行為。在這個換流過程中,反向恢復電流穿過了C1,D1, T2, T3, Db及這個迴路中的雜散電感,這是大換流迴路。
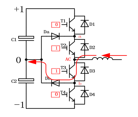
3. 狀態6➙2: IGBT從0110切換成0010

在這個時刻,T2關斷,因為T2之前已經沒有流過電流了, 所以不會發生換流行為,與前一狀態完全一樣。電流路徑如右圖所示,電流不變,仍然流過T3及Db,流進0點。
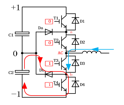
4. 狀態2➙3: IGBT從0010切換成0011
在這個時刻,T4開通, b點電位被拉至‐ 1, Db被強迫關斷,Db會出現反向恢復行為。換流的電流如右圖所示, 電流穿過C2, Db, T4以及其中的雜散電感。這是小換流迴路。
5. 狀態3➙2: IGBT從0011切換成0010

在這個時刻, T4關斷, Db續流, T4會產生電壓尖峰。換流的電流如右圖所示。這個電壓尖峰所對應的雜散電感是C2, Db, T4構成的迴路的的雜散電感。這是一個小換流迴路。
6. 狀態2➙6: IGBT從0010切換成0110

在這個時刻,T2開通,電流不會流過T2, 不出現任何換流過程, 電流路徑維持不變。T2不產生開通損耗。
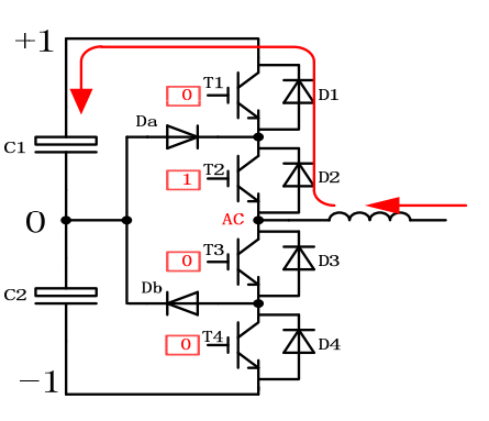
6. 狀態6➙4: IGBT從0110切換成0100
在這個時刻,T3關斷, D1, D2續流, T3會產生電壓尖峰,換流的電流如右圖所示。這個電壓尖峰所對應的雜散電感是C1, D1,D2, T3, Db所構成的迴路的的雜散電感。這是一個大換流迴路。
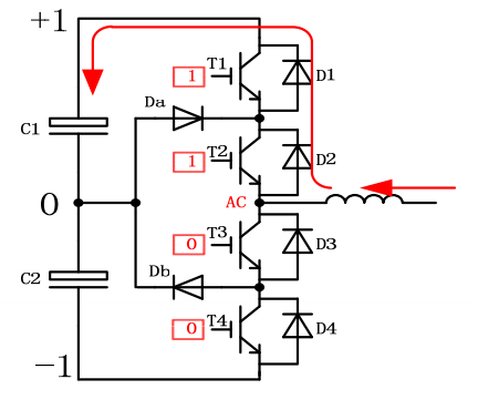
6. 狀態4➙C: IGBT從0100切換成1100
在這個時刻,T1開通,電流仍然通過D1續流,所以T1不產生開通損耗。 不發生換流過程,電流路徑維持不變。
四. 小結
經過以 對上對N P C 1三電平拓撲中每個模態切換過程的分析, 可以得出一些有用的結論:
1.迴路中存在兩個換流迴路,一個大換流迴路,由5個器件構成;一個小換流迴路, 由3個器件構成;
2.在大換流迴路中換流的器件的應力會被小換流迴路中的器件的應力大,取決於迴路中雜散電感的水平;
3. 拓撲中 共有一 共有10個半導體器件, 它們的應力各不相同, 需要分別分析,在應用時需要留意及測試。
評論