1. 概述:
1.1 目的:
DC Link 放電電路主要是為了確保電動汽車(EV)或混和動力汽車(HEV)的動力系統安全操作的關鍵功能,其目的是確保動力系統在高電壓的應用中,高壓DC Link在需要時可以安全的釋放電容器中的電能。其主要作用包括:
1.1.1 安全操作
在緊急情況下,例如車輛事故或緊急煞車時,需要快速切斷電力供應,以降低潛在的危險。DC Link放電允許安全的釋放電容器中的電能,確保系統不會繼續供電,從而保護車輛乘員和其他道路用户的安全。
1.1.2 維護操作
在維護或維修牽引逆變器系統時,工程師可能需要觸碰到系統內部。為了防止觸電或其他安全問題,必須確保電容器中不再存儲高电能。DC Link放電可安全的降低電容器的電壓,使維護工作人員能夠安全的進行操作。
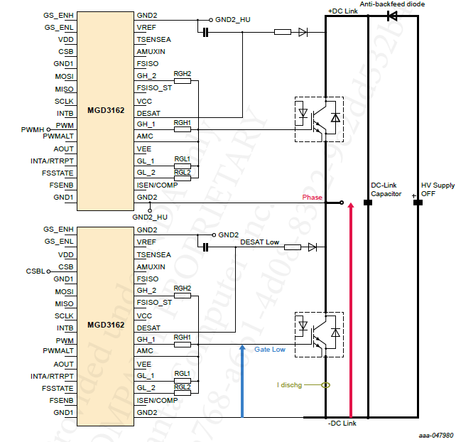
2. GD3162 DC Link Discharge 原理介紹:
傳統的DC Link放電電路通常由幾個大功率電阻器组成,能够吸收和消耗儲存的能量,一個高壓MOSFET用於啟動放電功能,與它相關的高壓驅動電路,以及用於控制的光電隔離器。這些額外的组件會增加整體物料清單(BOM)成本,也會增加設計電路的面積。
GD3162所包含的功能使得使用者能夠利用現有的硬件(電源模組),而不需要額外的元件。此外,GD3162還提供更多靈活性,例如允許動態調整放電速率。利用電源模組進行DC Link放電的關鍵想法是提供一個降低門極電壓和低佔空比的控制信號,以將MOSFETs推入其線性區域。在這樣的過程中,一個器件作為完全開啟的受保護開關,而另一個器件作為消耗元件,用於消耗DC Link電容器中儲存的能量。注意:角色可以互換,低側或高側器件都可以用作消耗元件。此原則可同時應用於三個相位。這樣做的好處是提供冗餘性並將放電時間和電源模組壓力除以3。

此實現方式以脈衝方式降低門極電壓,其閾值模式已由先前確定或透過SPI設定。脈衝以低占空比(1%至4%)進行,在脈衝ON的部分期間,放電電流保持大約恆定,並且在幾百毫安的範圍內被被動限制。對於典型的400V或800V DC Link 系統,放電時間在大多數情況下低於2s。
3. GD3162 DC Link Discharge 應用案例:
3.1 使用IGBT/SIC 進行主動放電,可以減少硬件設計,但能量釋放為熱能,有可能會造成元件的老化,在此GD3162根據系統架構和需求,在啟動逆變器操作之前的每次上電時,運行閾值級模式以讀取老化評估的5位TLVA值。這可用於跟踪生命週期中Vth的漂移或基於在生產期間進行的初始測量結果提供通過/不通過測試結果。
3.2 在每次逆變器關閉時,在自動模式下運行DC鏈路放電(立即跟隨閾值級模式),以安全地在所需時間內放電存儲的能量。
3.3 在發生崩潰事件時,DC鏈路放電功能僅使用故障安全邏輯(進入DCLD)即可在2秒內達到放電狀態,無需MCU控制。



評論