GD3160 是一款用於牽引逆變器應用的高壓隔離閘極驅動器。它具有多種功能和保護特性,可以提供可靠的控制和保護,以確保功率半導體器件的安全運行。其中包括過電壓保護、過電流保護、短路保護等。這些保護機制能夠監測和檢測系統中的異常情況,並在必要時關閉功率半導體器件,以防止損壞和故障。這有助於延長器件的壽命並確保系統的可靠性。
此篇文章主要為了介紹GD3160 DESAT的功能並提供電路模擬的方法,在功率電子領域中,準確建模和仿真IGBT和SiC閘極驅動器對於設計和分析高性能系統至關重要。LTspice參數化模型是一個強大的工具,可以讓工程師輕鬆地模擬和優化閘極驅動器電路。在本文中,我們將探索這個模型的功能和能力,並分享我們的見解和經驗。


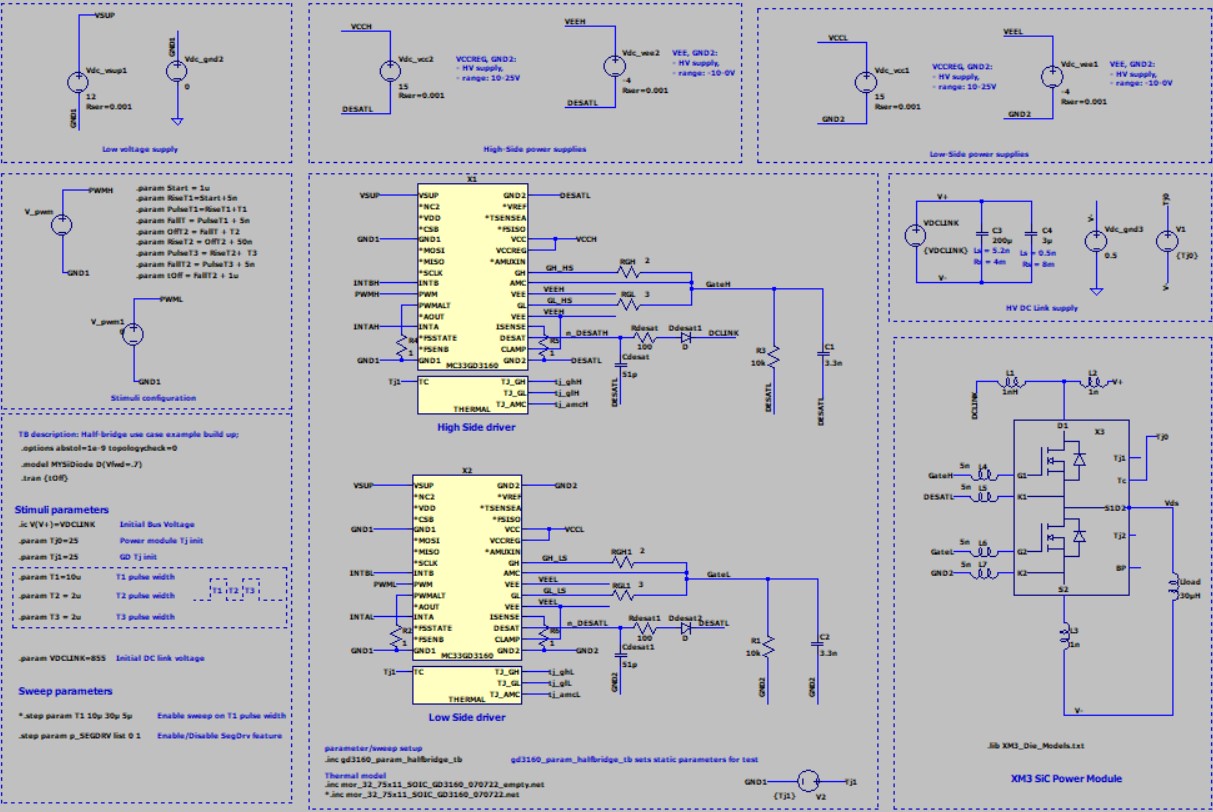
GD3160 DESAT功能的主要作用是檢測和保護IGBT(絕緣栅雙極性電晶體)和SiC MOSFET(碳化矽金屬氧化物半導體場效應電晶體)等功率半導體器件免受過電壓損壞的影響。它可以監測VCE/VDS,一旦檢測到過電壓事件,就能夠迅速觸發相應的保護措施,例如切斷驅動信號或啟動保護回路,以防止器件損壞。目前牽引逆變器應往SIC功率模組發展,擁有更快速的開關速度,而GD3160能夠以非常短的時間內檢測到過電壓事件並做出反應,這有助於最大程度地減少過電壓對器件的損壞。這種高速响應時間使得GD3160在SIC應用和需要快速保護的場景中表現出色。
在大部分避免電壓過壓的設計中,大多使用Active clamp 的傳統設計,如(圖一)所示,D1/D2避免VCE/VDS電壓過衝,一旦過衝經由D4返回Gate,藉此避免過衝損壞IGBT/SIC,而我們也支援這種方式使用CLAMP PIN 達成,但此方法使用非常多的二極管導致沒有效率而且昂貴,因此,GD3160提出另一種節省成本的方式,可以參考分段驅動電路如(圖二)所示,在正常操作期間,關斷IGBT/SIC時,GD3160會打開電流約20mA來充電CDESAT,根據通過功率元件的電流量,我們可以檢測到一個閥值,這就是分段驅動的閥值,一旦超過比較器,並持續一個可編程的延遲時間,GD3160會進入SSD。目的是減慢關閉的時間,而不使用GL pin關閉,在很短的時間內約300ns至600ns內我們打開SSD,以減少VDS或VCE上的過衝。


接下來介紹如何使用LTspice 模擬GD3160 DESAT 的功能,通過準確地建模閘極驅動器的特性和行為,能夠獲得準確的仿真結果,並進行系統性能的優化。
以下提供了在LTspice軟體中設定GD31xx 模型包的方法與步驟:
1. 經由以下連結可以進入NXP官方網站登入帳號密碼後下載GD3160 LTspice Model
https://www.nxp.com/webapp/sd/collateral/1664213362816725578258?version=1.0
2. 將下載的文件開啟,並解壓縮附件檔






