EVERLIGHT  ELM 435高速光耦(1Mbps)電路設計

關鍵字 :AITGEVERLIGHT光傳輸傳輸高速

1.功能說明:

光電耦合元件是以光(含可見光、紅外線等)作為媒介來傳輸信號的一種元件,主要功能是讓 輸入及輸出電路以隔離的方式傳送電信號,光電耦合元件(英語:optical coupler,或英語:photo  coupler),亦稱光耦合器、光隔離器以及光電隔離器,簡稱光耦。光電耦合元件可以在兩個不共 地的電路之間傳送信號,即使兩電路之間有高電壓差也不會互相影響,還能提高其抗干擾能力和 可靠度及穩定性;高速光耦大多用在需要隔離的兩個高速通訊介面之間。可應用在 RS232、CAN、 SPI、I2C或 RS485/422…等通訊介面及 PLC 高速計數器、伺服電機控制、旋轉編碼器控制、PLC 與 MCU 之間的信號轉換…等應用。 

2.訊號特性:

1Mbps  系列的高速光耦,輸出端採用  Photodiode  加上  Transistor  放大電路的架構, Photodiode 響應速度較快,將光訊號轉換成光電流後,經由電晶體將訊號放大,以便實現高速 通訊資料傳輸,以下用 ELM453 為例說明在設計電路上首先要了解的參數。 

1.電流傳輸比(Current Transfer Ratio , CTR) : 流傳輸比(CTR)的定義為輸出電流和輸入電流的比值(Io /IF∗ 100%),主要用來計算負載電阻值的選用,表1為製規的測試規範,其量測方式如圖 1 所示。 

 
表1 CTR 測試規範 

 

  
圖1CTR 測試電路

2.邏輯電壓 : 在數位傳輸中,訊號用高、低電壓來表示邏輯訊號的 1 和 0。如圖 2 所示,輸出電壓的規範以VOH和VOL表示,VOH定義為邏輯 1 的最低輸出電壓,VOL定義為邏輯 0 的最高輸出電 壓;輸入電壓的規範以VIH和VIL表示,VIH定義為邏輯 1 的最低輸入電壓,VIL定義為邏輯 0 的 最高輸入電壓。 
  
圖 2 邏輯電壓定義 

 

 註)VOH:Output Voltage in High
         VOL:Output Voltage in Low  VIH:Input Voltage in High 
           VIL:Input Voltage in Low 


邏輯電路中,常會因靜電或磁場的干擾,進而在線路上感應出電壓,此種不屬於原電路 的訊號即為雜訊,而抵抗此雜訊的能力,稱為雜訊容忍度(Noise margin)。如圖 3 所示。在 電路設計上,ELM453  Vo(pin5)的輸出電壓VOH,應高過於 Receiving Device 的VIH,並且 VOL低於VIL,才能正確的判斷訊號。

                圖 3 雜訊容忍度


3.傳播延遲時間(Propagation delay) : 輸入訊號經過光耦轉換,會延遲一段時間後,輸出訊號才會反應,TPHL表示輸出訊號的電壓從高準位降至低準位的時間,TPLH表示輸出訊號的電壓從低準位上升至高準位的時間。 如表格 2 所示,測試條件為IF=16mA、RL=1.9KΩ。圖 4 為測試電路及各參數定義的時間 軸。  

      
表格 2 Propagation Delay Time 測試規範

    

圖 5 Transient Immunity Test Circuit & Waveform


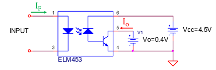
3.電路設計:

圖 4 為 ELM453 應用電路範例,將其分成輸入端與輸出端兩部份。 

  1. 輸入端:以 Control pin 控制 NPN 電晶體,將訊號以光的方式傳送至輸出端。
  2. 輸出端:Open collector 架構,因此需要加上 pull-high 電阻 RL,以維持高準位時的電壓值。Vcc需要加上 bypass 電容 0.1uF,用來過濾電源雜訊。        
圖 4 應用電路範例

CTR  會因為IF的大小而增減,如圖  5  所示,當IF為  5mA  時,CTR  降至  0.92  倍,此時 CTR%=20~50%便會降底至 18.4%~46%。當受到溫度的影響時,如圖6所示,溫度從 25℃上 升至 85℃時,倍數增加到 1.2 倍,此時 CTR%=20~50%,便會增加至 24~60%。當兩個條件同 時成立時,可以將兩者的倍數相乘,即 0.92*1.2≒1.1,因此 CTR%=20~50%,便會增加至 22~55%,

此時Io=1.1~2.75mA,Io太小,可能會造成VOL低於VIL的情況發生。      

     圖 5 Current Transfer Ratio vs Forward Current         圖 6 Current Transfer Ratio vs Ambient Temperature 

  


影響到TPLH與TPHL的外部條件主要為IF與 RL,如圖 7 所示,RL 影響最大,尤其在 RL=3KΩ 後的TPLH極速上升,加上為了避免因IF電流降低,造成VOL低於VIL的情況發生,因此建議可採用IF =16mA、RL=1.9KΩ的條件,此條件與製規相同,可直接套用 CTR%範圍,評估 CTR%下限是 否能正常工作。 

假設Vcc=5V、Ta=25℃: 
@IF=16mA、CTR%(min)=20%、Io=16mA*20%=3.2mA。 
@RL=1.9KΩ、VRL=3.2m*1.9K=6.08V>Vcc,評估Io實際電流<3.2mA。 
假設VO=0.4V、Io=(5-0.4)/1.9K=2.42mA,故實際電流為 2.42mA。 

溫度上升,CTR 倍率是增加的,因此同樣也可滿足溫升後的條件。但溫度降低後 CTR 是 衰減的,可參考前述計算方式自行評估。 

  
圖7Propagation Delay vs. Load Resistance 

 
當使用高速光耦應用問答:

Q/A  1 問:高速光耦的主要應用是什麼?
            答:高速光耦器件常用於電氣與光學之間的數據傳輸和隔離應用。它們可以將高速的電信號轉換成光信號,以達到隔離和抗干擾的目的,同時保持高速數據傳輸的能力。

Q/A 2 問:高速光耦的典型應用有哪些
           答:高速光耦器件廣泛應用於以下領域:
                  高速通信系統:用於光纖通信、光纖傳輸和光纖接口。
                 工業自動化:在工業控制系統中用於隔離和傳輸高速數據信號。
                 醫療設備:用於醫學影像設備、醫療器械和醫療檢測系統。
                 測試和測量儀器:在高速數據傳輸和信號隔離方面的應用。
                 高速數據存儲:用於存儲系統中的高速數據讀寫和傳輸。

Q/A 3 問:高速光耦的工作原理是什麼?
           答:高速光耦由發光二極管(LED)和光敏電晶體(Phototransistor)組成。LED發光時,產生的光信號通過絕緣層,照射在光敏電晶體上。
                  光敏電晶體吸收光信號並產生電流,從而實現光信號到電信號的轉換。

Q/A 4 問:高速光耦的優點是什麼
           答:高速光耦具有以下優點:
                  高速傳輸:能夠實現高速的數據傳輸,支持高頻率信號的隔離和傳輸。
                  隔離能力:能夠隔離高電壓或高噪聲環境下的信號,保護數據傳

Q/A5問:隔離性:
                高速光耦通常用於隔離不同的電路或系統,以防止干擾或提供電氣隔離。確保選擇具有良好隔離性能的高速光耦,以確保信號的隔離和保護。 

★博文內容參考自 網站,與平台無關,如有違法或侵權,請與網站管理員聯繫。

★博文作者未開放評論功能

參考來源

https://www.everlight.com/download/高速光耦1mbps電路設計繁-v1-0/: