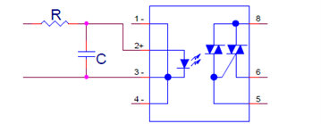
Photo Power TRIAC是一種光電隔離的開關器件,它可以用微小的訊號(幾毫安到幾十毫安)控制內部較高電流的雙向閘流體(Power TRIAC)導通和截止,輸入端與輸出端之間採用光電隔離,輸 入端加上直流或脈衝訊號,輸出端就能從截止轉換成導通。以微小的控制訊號達到直接驅動較高 電流負載的應用,圖1-1為常見的應用電路,圖1-2為ELRX213系列(Zero Cross),圖1-3為 ELRX223系列(Random Phase)的內部電路示意圖。

圖1-1 常見的應用電路 圖 1-2 ELRX213 系列(Zero Cross) 圖 1-3 ELRX223 系列(Random Phase)
Photo Power TRIAC 按控制模式可分為 Zero Cross 與 Random Phase 兩種系列產品。 Zero Cross 系列( ELRX213)只有在輸入信號為 ON 以及輸出電壓為 0 度或 180 度相位時,輸出 端才會導通。輸入訊號 OFF 時,負載電流因 Power TRIAC 的閉鎖作用,在零電流附近截止,如 圖 2-1 所示。
Random Phase 系列( ELRX223 )則是在輸入信號為 ON 時,輸出端馬上就會導通。輸入訊 號 OFF 後,負載電流同樣因 Power TRIAC 的閉鎖作用,也在零電流附近截止,如圖 2-2 所示。

圖 2-1 Zero Cross 波形時序圖 圖 2-2 Random phase 波形時序圖
2. Photo Power TRIAC 輸入端特性
輸入端 LED 電流的大小和溫度都會影響到VF上的壓降,其溫度與VF的關聯性,可參考圖 4。
圖 4 LED Dropout Voltage vs Ambient Temperature
3. Photo Power TRIAC 輸出端
操作溫度大於 40℃時,ELRX213 及 ELRX223 的 Power TRIAC 最大允許導通電流開始逐漸減少, 其關聯性可參考圖 5。

圖 5 ON-state Current vs Ambient Temperature
Power TRIAC 導通時的壓降,會隨溫度的不同而有所變動,其溫度與 Power TRIAC 導通壓降的關 聯性可參考圖 6。

圖 6 On Voltage vs Ambient Temperature
在 Power TRIAC 截止的情況下,會有漏電流產生,隨負載電壓增加,漏電流會隨之增大,其關聯 性請參考圖 7。

ELRX213 系列(Zero Cross)只有在輸出端電壓為 0 度或 180 度時才會導通, 若 Power TRIAC 兩 端(MT1-MT2)的電壓差大於 Inhibit Voltage 時,Power TRIAC 就不會被觸發導通,其會隨溫度上 升而下降,其溫度與 Inhibit Voltage 的關聯性可參考圖 8。

圖 8 Inhibit Voltage vs Ambient Temperature
4. 使用注意事項
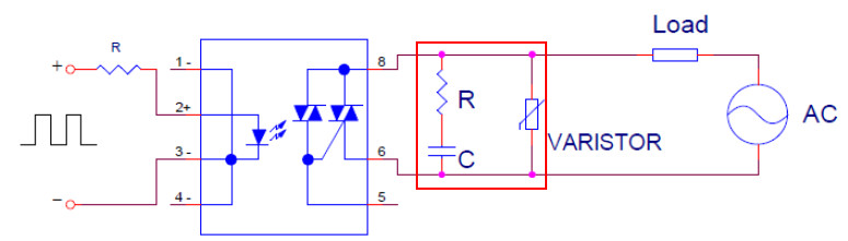
- 關於輸入端的雜訊抑制: Power TRAIC 的動作時間及動作所需的功率極小,因此必須控制影響到輸入端子的雜訊,如 果輸入端混入雜訊,會引起誤動作或造成損壞,可利用 R、C 電路吸收雜訊,如圖 9 所示。

圖 9 C、R 濾波電路
- 關於輸出端的雜訊抑制: 一般 Power TRIAC 驅動電路。在開啟或關閉電源瞬間會產生雜訊,可能會引起負載端誤動作或造成損壞,可使用緩衝電路或壓敏電阻來限制負載所產生的峰值電壓,如圖 10 所示,但如 果電路走線較長,電路長度產生的電感也會產生峰值電壓,因此請盡量縮短電路走線,降低電 感。緩衝電路會在下一章節說明。

圖 10 緩衝電路與壓敏電阻 (注)接腳 5 無需連接外部電阻…等
5. 關於緩衝電路
- 降低 dv/dt: Power TRIAC 負載電壓即使小於允許電壓,電抗部份較大的感性負載中,電壓上升會變得非 常快(dv/dt 較大),因此需要加上 RC 緩衝電路來降低 dv/dt,如圖 11 所示。
圖 11 緩衝電路
- 緩衝器的建議 :
Power TRIAC 電路中,一般選擇 C=0.1~0.2uF,可將 dv/dt 控制在數 V/us~數十+V/us 以下。電容建議使用 MPP 金屬薄膜電容。電容耐壓等級: 110V 線路中使用250V~400V,
220V 線路中使用 400~600V。
II. R 的選擇
沒有 R 的情況下,POWER TRIAC 導通時,dv/dt 急速上升,且流過峰值較高的放電電流,可能會破壞 Power TRIAC 內部的元件,因此需要加入 R。一般在 110V 線路時加入
R=10~100 Ω,在 220V 線路時加入R=20~100Ω。C 所產生的放電電流,充電電流會 引起 R 的功率損失,電阻額定功率在 110V 線路中時一般使用 1/2W,在 220V 線路中時
一般使用 2W 以上。
R 無感性電阻多使用碳皮膜或金屬皮膜電阻。一般建議 C=0.1uF、R=20~100Ω。另外在感性 負載的情況下可能會發生共振,因此須特別注意。
當使用 Photo Power TRIAC進行應用時 Q/A:
Q/A 1. 如何選擇適合的 Photo Power TRIAC?
選擇適合的 Photo Power TRIAC 需要考慮輸入電壓、輸出負載特性和應用需求。根據所需的最大輸入電壓和負載電流,選擇具有相應規格的 TRIAC。此外,還要確定 TRIAC 的觸發電流和觸發方式是否符合應用需求。
Q/A 2. 如何確定 Photo Power TRIAC 的觸發電流?
Photo Power TRIAC 的觸發電流通常在器件的數據手冊中指定。觸發電流是指需要提供到 TRIAC 的閘極的電流,以啟動器件並開啟輸出。應根據應用的要求,選擇正確的觸發電流。
Q/A 3. 如何處理 Photo Power TRIAC 的散熱問題?
Photo Power TRIAC 在操作過程中會產生熱量,需要進行散熱以保持正常工作溫度。選擇適當的散熱器和散熱材料,以將熱量傳遞到周圍環境中。確保 TRIAC 安裝在合適的散熱器上,並通過空氣流通或其他散熱方法將熱量有效地排出。
Q/A 4. 如何避免 Photo Power TRIAC 的過電壓和過電流?
Photo Power TRIAC 的工作電壓和電流應在器件規格的限制範圍內。過電壓和過電流可能會導致器件損壞或過熱。確保輸入電壓和負載電流在可接受範圍內,並使用合適的保護電路,如保險絲或電流限制器,以避免過電壓和過電流。
Q/A 5. 如何解決 Photo Power TRIAC 的觸發問題?
如果 Photo Power TRIAC 的觸發出現問題,例如無法正確啟動或關閉輸出,可能需要檢查觸發電路。確保正確連接光耦合器或其他觸發元件,並檢查觸發信號的正確性。如果觸發問題仍然存在,應檢查電源供應和接地,並確保電氣連接正確無誤。
參考來源