STEVAL-IHM042V1雙電機評估套件是一款緊湊的,可適用於雙電機評估的硬體開發套件,每個電機均支持3相電流採樣以及霍爾/磁編信號捕獲;
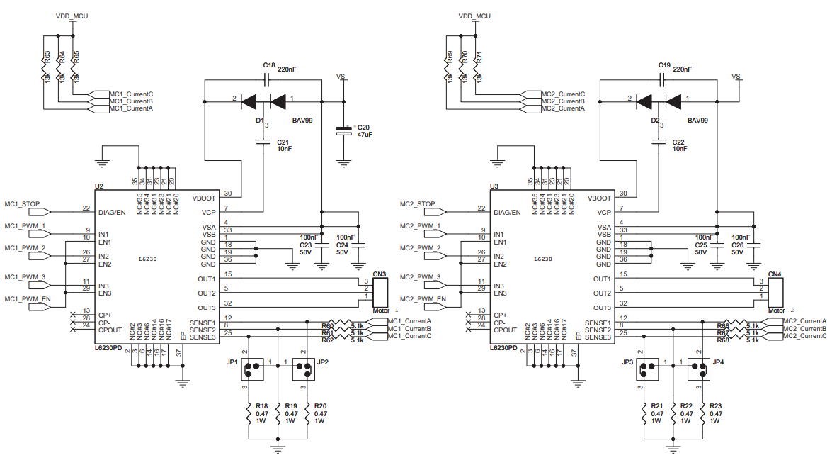
板載2顆獨立的,具有過流保護DMOS L6230, 使用BCD多功率技術,將隔離式DMOS功率電晶體與CMOS和雙極性電路集成在同一晶片上;
板載一顆Cortex M4內核的STM32F303CCT6,具備FPU&DSP,48KSRAM與256K Flash,內置豐富的模擬外設:ADC*4,comparators*7,具備PGA功能的OPA*4,可以極大程度的降低BOM成本;
支持有感算法與無感算法的矢量電機控制;
母線輸入電壓範圍:8-48V;
每個電機輸出功率可達10W;
配合ST電機開發套件MCSDK5.4.X,可以非常便攜快速的完成對雙電機方案的評估。


評論