摘要:燃料電池車動力系統配置對提高燃料電池電堆效率,延長電堆壽命,以及優化整車的性能至關重要。分析了燃料電池車動力總成的七種配置方案的研究現狀和優缺點,以及當前各大整車廠所採用的動力方案,結果表明燃料電池加蓄電池的動力方案與其他方案相比具有成本低、可靠性高等優點,是未來的發展趨勢。同時分析表明電堆和電池之間的匹配、能量分配的優化控制是進一步提高燃料電池車性能的關鍵。
能源與環境是各國政府密切關注的可持續發展戰略問題。全球變暖和能源危機迫使人們重新考慮未來汽車的動力問題。燃料電池汽車以其清潔、高效的特性逐漸成為公認的未來最有前途的新能源汽車。
純燃料電池汽車存在以下弊端:燃料電池發動機存在輸出特性較軟,成本過高,起動困難以及瞬態響應性差等特點,並且電堆不允許電流雙向流動,無法回收剎車時的能量。輔助設備可以解決上述問題,它能使燃料電池工作在較高的效率區域,在剎車制動的過程中回收部分能量,因此, 在以燃料電池為主要動力源的汽車動力系統設計中,需要配置輔助設備。燃料電池動力系統配置的好壞直接影響到整車的性能和效率。因此必須對其加以研究。
1、燃料電池車動力配置方案現狀
目前燃料電池車主要有純燃料電池、燃料電池加蓄電池、燃料電池加超級電容、燃料電池加蓄電池加超級電容、燃料電池加飛輪、插電式等六大類動力配置方案。
1.1、單一燃料電池方案
圖1是純燃料電池動力方案圖,在這種方案中汽車所需的所有動力全部來自燃料電池電堆。
其優點是系統結構簡單,整車裝備質量輕,控制實現相對容易。但是其缺點如下:
(1) 燃料電池的功率大,成本昂貴;
(2) 需要很高的燃料電池系統動態性能和可靠性;
(3) 不能對制動能量回收;
(4) 冷啟動時間長。
此種方案幾乎不在實際中應用。
1.2、 燃料電池加蓄電池方案
圖2為燃料電池加電池組的混合驅動方案,其中燃料電池系統為主要動力源,電池組配合燃料電池系統進行混合驅動,電能經過電機轉化成機械能傳給傳動系統。加速時,電池組和燃料電池電堆共同輸出能量,保證整車的加速性能,由於電池組提供了部分能量,減輕了電堆瞬時加速時的負擔,避免陰極“氧氣飢餓”現象的發生,延長電堆壽命。剎車制動時,電池回收部分能量。此過程由電池管理系統控制。
圖2 燃料電池加蓄電池動力配置方案
其優點是:燃料電池成本降低、對電堆動態特性及功率要求降低,啟動容易、可靠性高。
缺點是:結構複雜,急剎車時,能量回收瞬時電流較高,動力電池組可能會受到一定損傷。目前此種配置方案應用相對廣泛。
1.3、燃料電池加超級電容
除了動力電池組外,還可以採用超級電容器作為輔助電源。圖3 為燃料電池和超級電容器配置方案圖。
圖3 燃料電池加超級電容動力配置方案
超級電容具有較高的功率密度和較低的能量密度,它允許較大的充放電電流,並且充電速度比電池快。採用該超級電容的突出優點是壽命長和效率高,改善了整車的瞬態特性,使得電機負載對燃料電池系統的衝擊有所減免,提高了燃料電池工作穩定性,延長了工作壽命。同時系統的結構得以簡化,降低了整車的質量,使用成本也有所減少。而且其瞬時功率較輔助電池大,汽車啟動起來比燃料電池加電池模式更容易。但是超級電容的能量密度比較低。而由於電壓與其荷電狀態的關聯性,控制其充放電電流,增加放電時間比較困難,維護費用高。目前此方案尚在實驗中。
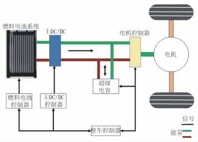
1.4、燃料電池加蓄電池加超級電容
這種模式是在燃料電池電堆加蓄電池的基礎上再並聯超級電容器,它可以在啟動加速時提供峰值電流,在緊急制動時回收峰值電流。其結構如圖4 所示。
圖4 燃料電池加蓄電池加超級電容動力配置方案
這樣可以使比能量和比功率的要求相互分離,可以較少考慮對輔助電池的比功率要求,著重優化輔助電池的比能量和循環壽命設計,比功率的問題可以靠超級電容器解決。由於超級電容器具有負載電平效應,充放電效率高,來自蓄電池的大電流放電和再生制動的大電流充電被大幅度降低,能有效防止蓄電池過放過充現象的發生,顯著增加了輔助電池的可用能量、持續工作時間以及使用壽命。
這種模式是目前燃料電池電動汽車混合動力驅動的理想模式。當汽車處於啟動、爬坡、加速等工況時,輔助電池和超級電容器可以配合或者單獨提供峰值功率,能量分配更加合理。在急減速、緊急制動工況下,超級電容器可減輕電池負擔,保護輔助電池免受強電流衝擊。
此種動力配置方案比較理想,但其成本昂貴,控制系統比較複雜,參數匹配困難。目前此種技術還不成熟。
1.5、燃料電池加蓄電池加超高速飛輪
超高速飛輪是機械方式儲能元件,具有高比能量、高比功率、長循環壽命、高效率、快速補充能量、免維護和環境友好等特點,可以應用到混合動力汽車中。超高速飛輪的加入可以提高系統的效率和輸出。由於成本高、控制困難的原因,實際應用較少。圖 5 為此動力方案配置圖。
圖 5 燃料電池加蓄電池加超高速飛輪動力配置方案
1.6、插電式動力配置方案
這種方案有兩種配置方式:第一種是基於目前加氫設施不足,在車上裝一個 RFC(regenerative fuel cell)裝置,這個裝置有兩種運行模式,當充電器充電時,RFC 是一個電解槽,生成的氫氣和氧氣分別存到相應的高壓氫氣瓶和氧氣瓶中。當汽車行駛時,RFC 是一個典型的燃料電池裝置,利用電解槽生成的氧氣氫氣進行反應提供電能,同時生成水。其動力系統結構如圖 6 所示。
圖 6 插電式燃料電池動力配置方案圖一
這種裝置電解槽經過加壓,無需空壓機,效率高,成本比燃料電池加蓄電池的配置方案低。動力蓄電池和電解槽可以在用電低峰時進行充電,尤其是當所用的電能是來自於風能太陽能時,這樣的裝置更環保。同時這樣的動力配置方案減輕了對加氫站的依賴。此配置方式尚在實驗中,尚無有關此種配置方案車型的報道。
第二種配置方式是以上汽榮威950 為代表的插電式燃料電池車。與傳統的插電式混合動力汽車類似,該方案有兩種驅動模式,第一種蓄電池為主要動力來源,蓄電池外接充電器可以為蓄電池充電,第二種是純燃料電池驅動。其配置方案如圖7 所示。
圖7 插電式燃料電池動力配置方案圖二
此方案一方面能夠發揮電動汽車低速性能好的特點,解決擁堵造成的車輛起停和排放問題;另一方面,適當匹配動力系統結構參數,能夠很好地解決燃料電池轎車性能、應用和成本之間的矛盾。
1.7、整車廠燃料電池車動力方案
目前各大整車廠都投入了較大精力研發燃料電池車,其中以豐田本田等為代表。表1 是各整車廠目前所採用的動力方案。
表1 各整車廠燃料電池車動力方案
從以上分析可以看出第二種方案,即燃料電池加蓄電池的動力配置方案是主流方案。此方案是未來燃料電池車動力系統配置的趨勢。目前量產的燃料電池車如韓國的現代ix35燃料電車、豐田的Mirai 燃料電池車、本田全新的Clarity Fuel Cell 燃料電池車,都採用此方案。
2、燃料電池車用蓄電池和電機
2.1 動力蓄電池
動力蓄電池是燃料電池車的輔助設備,輔助電堆啟動。當燃料電池車有較大的功率需求時,蓄電池提供較大的放電電流,當電堆性能跟上時,放電電流減小,電堆作為主要動力源。當汽車剎車減速時,蓄電池能夠接受較大的電流充電,以回收能量。蓄電池的荷電狀態(SOC)應儘可能保持在較高的狀態,一般在50%~85%,循環壽命長,一般能達到1 000 次以上深度放電,40 萬次以上淺度放電循環。
由於氫鎳蓄電池和鋰離子電池充放電迅速、能量密度大、比功率高、耐用性好、無污染、是目前燃料電池車主要採用的電池。
豐田的燃料電池量產車Mirai 使用的是氫鎳蓄電池;本田全新Clarity Fuel Cell 燃料電池車和韓國現代ix35 燃料電車採用的都是鋰離子電池。不過氫鎳蓄電池有記憶效應,高溫性能差;鋰離子電池成本比氫鎳蓄電池高。
2.2、電機
目前燃料電池車主要採用交流感應電機和交流永磁電機。交流感應電機又稱異步電機,電機堅固耐用、結構簡單、技術成熟、成本低,尤其適合惡劣的工作環境,比較適合燃料電池電動汽車,尤其是大功率的電動汽車。例如GM 開發的燃料電池汽車Sequel 就是採用了60 kW 的異步電機。交流永磁電機通常可分為方波供電的無刷直流電機和正弦波供電的永磁同步電機。這類電機功率因數大,具有較高的功率密度和效率,過載能力比異步電動機大。在中小功率系統中比較占優勢,但是該系統成本較高,可靠性稍差。豐田量產的燃料電池車Mirai 採用的是交流同步電機。
3、豐田Mirai的動力總成配置
Mirai 是豐田汽車公司於2014 年底在日本上市的第一款氫燃料電池車,用液態氫氣作為動力能源,液態氫氣存放於兩個高壓儲氫罐,儲氫罐置於車身後部,可承受70 MPa 的壓力。液態氫的加注與傳統汽油車類似,大約需要3~5 min 即可加滿儲氫罐。續駛里程大約可達480 km,能在低溫-30 ℃啟動。速度從0 加速到100 km/h 僅需約9 s。其動力配置如圖8。
圖8 豐田Mirai動力系統圖
Mirai 的性能參數如表2 所示。
表2 豐田Mirai動力系統參數
從圖8 和表2 中可以看出豐田Mirai 採用的是燃料電池電堆加蓄電池的動力配置方案,也就是蓄電池在車減速剎車時回收能量;在車加速時,和電堆一起驅動電機,保證整車的輸出功率。
4、結語
本文詳細地介紹了目前燃料電池汽車七種動力配置方案,給出了每種動力方案的原理框圖,從方案的複雜程度、控制的難易、成本的高低等方面進行了比較,同時分析了目前各大整車廠的燃料電池車所採用的動力方案。研究結果表明燃料電池加蓄電池的方案是目前的主流方案,是未來燃料電池車動力配置方案的趨勢。燃料電池車雖已經量產,但與傳統汽車相比,仍然存在價格昂貴,控制系統複雜,基礎設施不完善等缺點。燃料電池車的動力配置方案對燃料電池車的整車性能和效率至關重要,大規模普及仍需要加大對其動力系統配置方案以及燃料電池電堆和動力蓄電池之間的匹配控制等方面的研究。
注1:作者:電驅工匠;出處:https://mp.weixin.qq.com/s/x10wUeSTxjUmDXSXmvC7_w