一般在電路設計中需要在相互隔離的兩個電路系統間傳輸電信號時,很多人第一想到的方案就是使用光耦元件。
光耦的工作原理是以光作為媒介來傳輸電信號,將發光器與受光器封裝在同一管殼內,當輸入端有電信號時發光器發出光,
而受光器受光後產生光電流,從而實現“電—光—電”的轉換過程。
由於常用光耦器件厚度都較厚,工程師在電路設計的時候就會有所影響,電路設計就容易變得複雜且不美觀,而且在驅動小型IGBT/MOSFET時,
由於IGBT或者MOSFET工作時散熱量較大,光耦可能會因周圍溫度過高而不穩定或者是不工作,從而導致產品出現故障。
所以,東芝針對以上難題,潛心研發,推出了全新TLP5702H輕薄型光耦,其厚度僅為2.3mm,工作溫度可以高達125°C,以此來滿足使用者不同產品的場景需求。

應用範圍:
TLP5702H輕薄型光耦可在小型IGBT和MOSFET中用作絕緣柵極驅動IC,主要應用場景可以是工業設備(工業逆變器、光伏逆變器、交流伺服驅動器、UPS和功率調節器等)
或者是家電設備,例如:風扇,空調變頻器等應用場合。
電器特性分析:
光耦的工作原理是以光作為媒介來傳輸電信號,將發光器與受光器封裝在同一管殼內,當輸入端有電信號時發光器發出光,
而受光器受光後產生光電流,從而實現“電—光—電”的轉換過程。
由於常用光耦器件厚度都較厚,工程師在電路設計的時候就會有所影響,電路設計就容易變得複雜且不美觀,而且在驅動小型IGBT/MOSFET時,
由於IGBT或者MOSFET工作時散熱量較大,光耦可能會因周圍溫度過高而不穩定或者是不工作,從而導致產品出現故障。
所以,東芝針對以上難題,潛心研發,推出了全新TLP5702H輕薄型光耦,其厚度僅為2.3mm,工作溫度可以高達125°C,以此來滿足使用者不同產品的場景需求。

應用範圍:
TLP5702H輕薄型光耦可在小型IGBT和MOSFET中用作絕緣柵極驅動IC,主要應用場景可以是工業設備(工業逆變器、光伏逆變器、交流伺服驅動器、UPS和功率調節器等)
或者是家電設備,例如:風扇,空調變頻器等應用場合。
電器特性分析:
- TLP5702H光耦的工作電壓在15V-30V之間,輸出電流高達±2.5A,閾值輸入電流最大5mA,供電電流最大為3mA,滿足大多數使用者的電路驅動需求的同時還有助於降低功耗
- 利用紅外LED與高增益高速光電探測器IC相結合的方式,TLP5702H光耦的最高工作溫度被提升到了125°C,保證了其在惡劣的工作環境下仍然可以正常而穩定地工作
- TLP5702H具有內部雜訊遮罩特性,可提供±50kV/μs的有效共模瞬變抑制,從而改善電路中的EMI,助力電路順利通過安全標準認證
功能特性分析:
TLP5702H輕薄型光耦主要採用SO6L封裝,厚度最大僅為2.3mm,可以完全放在板的背面或者高度受限的地方,有助於提高系統板上部件布置的靈活性
而且該封裝可以相容東芝傳統的SDIP6封裝的焊盤,如TLP700H。 同時比傳統SDIP6(F型)封裝的厚度降低約45%,更容易替代現有SDIP6封裝的產品

具體參數如下:


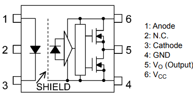
引腳分析:

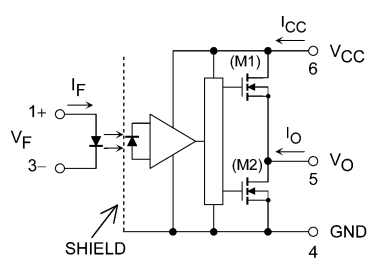
內部線路:

評論