總線開關應用範例
總線開關用於簡單地打開/關閉與信號線的連接或將連接從一條路徑切換到另一條路徑。某些總線開關具有電平轉換功能。
以下小節顯示了總線開關應用的幾個示例。
1.1. 將信號連接從一條路徑切換到另一條路徑
SPDT總線開關用於從兩個IC(IC1和IC2)選擇CPU輸出信號的目的地。
總線開關可以雙向傳遞信號。因此,總線開關還可以將IC1和IC2的輸出信號傳遞給CPU。
總線開關引起的電壓衰減等於其導通電阻乘以電流。但是,由於在數字信號的情況下通常很少電流流動,因此信號電壓幾乎不衰減。
輸出上升和下降延遲受總線開關的開關I/O電容(CI/O)和導通電阻(RON)以及外部電容和電阻的影響。通常,總線開關可以以高於幾十兆赫茲的頻率工作。
1.2. 打開/關閉與信號線的連接(用於減少負載和保護IC)
圖1.1所示的電路將CPU的輸出信號傳遞到IC1和IC2。
當存在不需要將CPU輸出信號傳遞到IC1的操作模式時,在CPU和IC1之間使用SPST總線開關。
總線開關可以在必要時將CPU輸出信號傳遞給IC1,並在不需要時將其阻止,從而減輕了CPU的負擔。
在圖1.1中,紅色框突出顯示了可能處於部分掉電條件下的設備。假設部分掉電可能導致這些設備的電源電壓變為零。
如果發生這種情況,可能會損壞總線開關。如果CPU輸出信號流到IC1,IC1也可能會損壞,從而導致電流通過IC1的寄生二極管流到電源。
為了保護IC1免受CPU輸出信號的影響,請使用總線開關,其開關引腳具有容錯功能。將總線開關的電源引腳連接到與IC1相同的電源。如果在部分掉電條件下設備的電源(即,IC1和總線開關的電源)變為0 V,則總線開關會斷開CPU和IC1之間的連接,因為其開關引腳具有容錯功能。因此,IC1被保護。
圖1.1打開/關閉信號線連接的基本電路示例
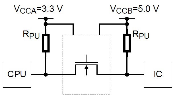
1.3. 信號電平轉換
在圖1.2中,CPU和IC在不同的電源電壓下工作。因此,必須進行信號電平轉換才能實現這兩個設備之間的通信。
在這種情況下,可以在CPU和IC之間使用雙電源電平轉換SPST總線開關。添加上拉電阻(RPU),將總線開關的輸入和輸出分別拉至CPU和IC的電源。這使得處於不同電壓Level(例如3.3V和5.0V電壓Level)中的兩個設備能夠相互通信。
雙電源電平轉換總線開關允許VCCA為1.65至5.0 V,而VCCB為2.3至5.5V。但是,VCCA必須低於VCCB。東芝的產品組合包含1位元,2位元,4位元和8位元雙電源電平轉換總線開關。
圖1.2帶電平轉換總線開關的基本電路示例
1.4 計算輸出上升和下降時間(tr和tf)
總線開關的輸出上升和下降時間(tr(out)和tf(out))受RC時間常數的影響,其中R為導通電阻(RON),C為開關I / O電容(CI / O))。實際上,輸出的上升和下降時間也受外部電容和電阻的影響。
計算輸出上升和下降時間的示例:
讓我們以TC7SB66CFU為例。
輸出上升和下降時間可以近似如下。 (有關電路,請參見圖1.3。)
近似方程式:
其中,RDRIVE是前一個IC的輸出阻抗。
計算示例:
計算條件:
前一個IC的輸出電壓:數字信號(高電平輸出電壓= VCC,低電平輸出電壓= GND)

圖1-3 計算輸出上升下降時間的輸出波形和等效電路
東芝有一系列的高速的總線開關
東芝也有含有Level shift的總線開關
評論