Littelfuse LED照明 SPD 模組 設計原理
目錄
三、UL 1449 和 IEC 61643-11 中的过电压测试
一、功能介紹
目前 LED 照明設備隨處可見,傳統照明方式已經逐漸被取代。但是,LED 照明的安裝成本非常高,所以如何以低成本維護和維持較長的使用壽命很重要。尤其是針對戶外 LED 照明設備的保護,比如如何避免雷擊產生的浪湧對戶外 LED 照明設備產生不利影響。
圖 1. LED 照明保護方案
為了保護室外 LED 照明免遭雷擊引起的浪湧,需要轉移高電壓/電流瞬態干擾,使其遠離照明器材中的敏感電子設備。室外 LED 照明中使用了各種浪湧保護器件(SPD),以抑制浪湧能量並使浪湧影響最小化。其中包括金屬氧化物壓敏電阻(MOV),氣體放電管(GDT)和瞬態電壓抑制(TVS)二極體。
Littelfuse 推出的 LSP05G 系列、LSP10X 系列 SPD(Surge Protection Device)是一種自我保護裝置,是專門用於戶外和商用 LED 照明燈具產品中,以進行瞬態過壓保護。它是使用 Littelfuse 的熱保護 MOV 技術開發的。其內置的熱斷開功能可提供額外的保護,以防止災難性故障和火災 危險,即使在壓敏電阻壽命終止或承受過壓情況的極端情況下也是如此。
二、用於 SPD 安全的熱防護 MOV
MOV具有回應時間快,浪湧處理能力強,緊湊尺寸和成本效益等特點,因此被廣泛用於浪湧保護電路中。MOV 通常放置在 LED 驅動器前面的 SPD 模組裡,具有熱隔離功能,可以保護避免熱失控,導致煙霧、過熱甚至火災等情況。
在經過大浪湧或多次小浪湧後,MOV 往往會逐漸退化使洩漏電流增加。即使在正常條件下(例如 120Vac / 240Vac 工作電壓),這種退化也會使 MOV 的溫度增加,如下圖 2 所示。當 MOV 達到其壽命時,熱熔斷器開將斷開電路,從電路中移除退化了的 MOV,並防止其發生災難性故障。

圖 2. 熱熔斷器防止降級的 MOV 發生災難性故障
MOV 設計的目的就是為了在微秒內將快速過電壓瞬態鉗位元。但是,除了短時瞬變外,SPD 模組內部的 MOV 也會遭受中性線損耗或安裝過程中接線錯誤引起的臨時過電壓情況,如圖 3 所示。
圖 3. 臨時過壓
這些有可能會使 MOV 進入熱失控狀態,這將導致過熱,冒煙和起火的可能性。SPD 的安全標準 UL 1449 和 IEC 61643-11 定義了特定的條件,在這些特定條件下必須對設備進行測試以確保 SPD 的安全。
三、UL 1449 和 IEC 61643-11 中的過電壓測試
- UL 1449 異常過電壓測試
在交流線路應用中,中性點與地之間的連接可能會丟失,從而存在可能將持續的過電壓施加到額定為低得多的連續電壓的 MOV 上的風險。在無限制的電流條件下,MOV 將無法進入低阻抗(幾歐姆)狀態,因此 MOV 通常會瞬間破裂。如果連接到交流線路的負載限制了電流,那麼 MOV 可能會過熱並可能導致 SPD 設備過熱,從而導致冒煙,並最終著火。
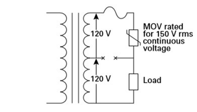
圖 4. 在美國標準分相配電系統中中性點與地面之間的連接丟失
在標準的美國 120V AC 線應用中,通常從中央抽頭的 240V 變壓器饋入兩條 120V AC 電源線(異相 180°),請參考圖 4。在這種情況下,額定電壓為 150V 的 MOV 在有限的電流下承受 240V 的電壓,這可能會導致 MOV 的熱失控。UL 1449 第 4 版中的表 44.1 定義了應根據設計人員所需的設備額定值而應用於各種 SPD 設備的測試電壓。(請參考表 1。)
表 1. 測試電壓選擇表(來源於 UL 1449 第 4 版的表 44.1)
- IEC 61643-11 臨時過電壓(TOV)測試
浪湧瞬變是交流電源線中的持續時間較短(微秒)的過電壓干擾,而臨時過電壓(TOV)是影響 SPD 模組的持續時間較長(幾毫秒至數分鐘)的異常高壓。TOV 可能導致 SPD 模組短路和熱失控,從而可能導致 SPD 發生災難性火災或爆炸。IEC 61643-11 在標準中包括了 TOV 測試,通過這些模擬來查看可能的原因並驗證 SPD 模組的安全性。TOV 是由配電網路中的短路故障以及低壓系統和高/中壓系統中的故障引起的。
(1). 低壓系統故障引起的TOV
– 線對地故障。在最壞的情況下,一個相線上的單個接地故障會轉移故障位置處的接地電位,並在另一相接地上產生 1.73×(√3) 過電壓。過電壓情況一直持續到過電流設備被啟動以清除線路對地故障為止,這種情況通常在不到五秒鐘的時間內發生。
圖 5. 三相電力系統中的線對地故障
- 失去次級中立。斷開的中線會轉移其電勢,在最壞的情況下,可能會線上對中線處造成 1.73×(√3) 的過電壓。
圖 6. 三相電力系統中性點損失
(2). 高/中壓系統故障引起的 TOV
當配電變壓器(例如,10kV 至 380V,如圖 7 所示)在高壓側(10kV)線對地短路故障時,它會通過接地電阻 Re(4Ω)產生高故障電流(Id = 300A,200ms 的持續時間),使低壓側的中性電位(Ue = 1200V)升高。因此,TOV 測試可以通過向低壓系統中 SPD 模組的 N-G 注入1200V 電壓來類比高壓系統的接地故障。
圖 7. 高/中壓變壓器中的線對地故障
電網中發生短路故障時,臨時過電壓會影響 SPD。對於 SPD 來說,必須同時符合 UL 1449 和 IEC 61643-11 標準,以確保其安全性和可靠性。
四、壽命終止/更換提示功能
- SPD的壽命終止/更換指示
當 MOV 由於臨時過電壓或洩漏電流過大而變得過熱時,可以使用熱斷開來幫助將其從交流電路中移除。但是,從電路中移除 MOV 後,SPD 模組不再提供浪湧抑制。 因此,在這個時候重要的是要提供正確的指示,讓維護人員知道 SPD 不能正常工作並需要更換。
我們可以根據其維護和保修策略從兩種主要類型(並聯和串聯)的 SPD 模組配置中進行選擇。

圖 8. 並聯連接到燈具的 SPD 模組
並聯 – SPD 模組與負載並聯連接。壽命終止的 SPD 模組從電源上斷開,同時使 AC / DC 電源裝置通電。照明仍然可操作,但是失去了對電源設備和 LED 模組所遭受的下一次浪湧的保護。在並行連接的 SPD 模組中,可以通過使用小的 LED 向維修技術人員指示 SPD 模組狀態的方式添加更換指示。可以使用綠色 LED 指示線上 SPD 模組或紅色 LED 指示離線 SPD 模組的選項。或者,可以將 SPD 模組使用壽命終止指示線連接到聯網的智慧照明系統,而不是在每個照明燈具上都顯示 LED,而是將遠端 SPD 模組更換的指示給光管理中心。
圖 9. 串聯連接到燈具的 SPD 模組
串聯連接 – SPD 模組與負載串聯連接。其中壽命終止的 SPD 模組與電源斷開連接,從而關閉了燈。照明設備斷電可作為維護呼叫的指示。斷開的 SPD 模組不僅關閉照明燈以指示需要更換,而且使 AC / DC 電源單元與將來的電湧隔離。
- LSP10 接線指南(帶壽命終止 LED 指示的並聯)
將 LSP10 系列熱保護 MOV 模組(如零件號中的 S 尾碼所示)的串聯連接模型用作照明裝置中的並聯連接。這會將串聯的 SPD 模組的輸出線變成壽命終止指示線。
圖10. LSP10xxxS 外部指示器
如圖 10 所示,連接一個限流電阻和一個綠色 LED 構成模組狀態的外部指示器。當綠色 LED 點亮時,表明模組正常工作。當綠色指示燈熄滅時,模組與電源電路斷開連接,因此不再為後面的設備提供浪湧保護,必須將其替換為新的。
- LSP05 接線指南(帶壽命終止 LED 指示)

圖 11. LSP05 系列並聯模型
圖 11 是應用 LSP05 系列熱保護 MOV 模組的並聯模型(如零件號中的 PM 尾碼所示),並將指示線連接至限流電阻和 LED 指示器。可以選擇常亮的綠色 LED 或常滅的紅色 LED 作為 LED 指示燈。
- 匹配電阻器與指示 LED
由於連接到 SPD 的 LED 是由交流線路電壓供電,因此在反向偏置模式下需要選擇一個能承受整個 AC 電壓的 LED。也可以在 LED 電路(並聯或串聯)中增加另一個額定值足夠大的二極體,來防止 LED 被交流電壓損壞。
在我們設計過程中需要選擇限流電阻的值來匹配最佳的 LED 驅動條件。通常它的電阻和瓦數由交流線路電壓和驅動 LED 所需的電流確定。
SPD 的指示線由交流電源線供電。沒有使用到的電線必須用電線螺母蓋住,以防止發生短路或電擊危險。
五、通過協調 SPD 與電源減少“浪湧通過”
- SPD 模組和 MOV 的協調
通常,驅動器可處理 1-4kV的浪湧電壓。 壓敏電阻(圖 12 中的 MOV2)通常位於交流輸入端的保險絲之後,直徑範圍為 7 至 14mm。為了提供更高等級的浪湧抗擾性,可在其燈具的 AC 輸入線上添加浪湧保護設備(SPD)。
為了讓 SPD 模組不受室外照明環境中可能發生的高浪湧影響。SPD 通常在 AC 線上使用 3-4 個可承受浪湧高壓的 MOV 進行並聯或串聯(例如,直徑 25mm 或 34mm),如圖 1 的綠色 MOV1 塊所示。電源安裝在雷擊嚴重的戶外,通常將MOV 並聯用於 L 和 N 線之間。
圖 12. 串聯&並聯模組設計
在 LED 驅動器前面添加保護時,選擇一個與驅動區中現有設備(MOV2)相協調的 MOV1 非常重要。選擇 MOV1 的標準是確保先把 SPD 模組中這些較大的MOV 鉗位,讓較小的(MOV2)打開之前先承受浪湧能量。這樣可避免驅動器 MOV 流過災難性電流和保險絲過早斷開,如果驅動器 MOV 先導通,則會發生這種情況。
由於導線的特性阻抗,將有助於確保適當的協調主 SPD 和驅動器之間的電纜長度較長可能就足夠了。 另一方面,應將 SPD 輸入側的導線應儘量短,防止 SPD 模組中由於這些導線的特性阻抗而增加鉗位元電壓。
注:對於抗擾度測試的特徵要求,北美照明設備標準是 10kV / 10kA,但在測試設置時要求源阻抗為 2Ω,實際上是 20kV / 10kA 的要求。
- 設計過程注意事項:
為了確保 SPD MOV 與驅動器中的 MOV 之間存在足夠的電感,總結了 5 個在設計過程中要注意的事項:
(1) 協調 MOV1 和 MOV2,以使得大部分浪湧電流/能量流過 MOV1。
(2) 選擇 MOV 時,MOV1 的 Vm 應小於或等於MOV2 的 Vm,其中
Vm 為最大連續工作電壓。
(3) 選擇 MOV 時, MOV1 的 Vc 小於或等於 MOV2 的 Vc,其中
VC 是最大鉗位元電壓。
(4) VMOV1 = VMOV2 + L(di/dt)
(5) 把電感 L 與 SPD 串聯添加到電路中。隨著 MOV1 吸收更高的浪湧
能量,電感 L 的增加使得 MOV1 和 MOV2 具有更好的協調性。
以上就是關於 Littelfuse LSP05G 系列 和 LSP10X 系列 LED 照明 SPD 模組的相關原理,相信隨著科學技術的發展,未來的 LED 照明越來越高效,使用壽命也會有很大的提升,為我們帶來更大便利。
六、參考資料
- 《Littelfuse LED Lighting SPD Module Design and Installation Guide》
- 《Littelfuse_Varistor_LSP05GI_Datasheet》


評論