要想消除開關模式電源轉換器中的EMI問題會是一個很大的挑戰,因為其中含有很多高頻成分。電子元件中的寄生成分常常扮演很重要的角色,所以其表現常常與預期的大相徑庭。本文針對低壓Buck轉換器工作中的EMI問題進行很基礎的分析,然後為這些問題的解決提供很實用的解決方案,非常具有參考價值。
- 概述
在設計開關模式轉換器的時候,電磁相容問題通常總是要在設計完成以後的測試階段才會遇到。假如沒有在設計的第一階段就考慮到電磁相容性問題,要在最後的環節再來降低其影響就會很困難,花費也會很高。所以,為了確保產品設計過程順暢無阻,能夠得到最優化的設計,最好的做法是在設計一開始的時候就開始考慮這個問題。在所有要考慮的因素中,元件選擇和PCB佈局設計是獲得最佳EMI性能的關鍵。
- 轉換器中的EMI源頭
造成EMI問題的輻射源有兩類:交變電場(高阻),交變磁場(低阻)。非隔離的DC/DC轉換器具有阻抗很低的節點和環路(遠低於自由空間的阻抗377Ω,此值為真空磁導率µ0和真空中的光速C0的乘積,也被稱為自由空間的本質阻抗——譯注),因而Buck架構DC/DC轉換器中主要的輻射源通常是磁場。
磁場輻射是由小型電流環中的高頻電流形成的。電流環所生成的高頻磁場會在離開環路大約0.16λ以後逐漸轉換為電磁場,由此形成的場強大約為 :
其中,f是信號的頻率,單位為Hz;A是電流環路的面積,單位為m2;I是電流環中的電流幅值,單位為A;R是測量點距離環路的距離,單位為m。
舉例而言,一個1cm2的電流環,其中的電流為1mA,電流變化頻率為100MHz,則距離此電流環3m處的場強為4.4µV/m,或說是12.9dBµV。
下圖1顯示了一個流過1mA電流的1cm2電流環所形成的輻射強度與電流變化頻率之間的關係,圖中綠線是標準容許的3m距離上的輻射強度閾值。
圖1
由圖可見,由1mA電流在1cm2環路中所形成的輻射並不容易超出規格的限制。現實中造成輻射超標的原因常常是應該極小化的環路變成了大的環路,或者是附加線上路上的導線形成了多餘的輻射。這些大回路或導線所形成的天線效應將在總的輻射中發揮主要的作用。
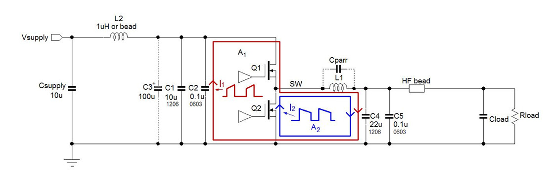
- 轉換器中的電流回路
Buck架構DC/DC轉換器中存在兩個電流發生劇烈變化的主回路 :
當上橋MOSFET Q1導通的時候,電流從電源流出,經Q1和L1後進入輸出電容和負載,再經地線回流至電源輸入端。在此過程中,電流中的交變成分會流過輸入電容和輸出電容。這裡所說的電流路徑如圖2中的紅線所示,它被標注為I1。
當Q1截止以後,電感電流還會繼續保持原方向流動,而同步整流開關MOSFET Q2將在此時導通,這時的電流經Q2、L1、輸出電容流動並經地線回流至Q2,其回路如圖2中藍線所示,它被標注為I2。
電流I1和I2都是不連續的,這意味著它們在發生切換的時候都存在陡峭的上升沿和下降沿,這些陡峭的上升沿和下降沿具有極短的上升和下降時間,因而存在很高的電流變化速度dI/dt,其中就必然存在很多高頻成分。

圖2:BUCK轉換器中的電流環
在上面所述的回路中,電流環I1和I2共同共用了自開關節點à電感à輸出電容à地àQ2的源極這一段路徑。I1和I2合成起來後就形成了一個相對平緩、連續的鋸齒狀波形,由於其中不存在電流變化率dI/dt極高的邊沿,其包含的高頻成分就要少一些。
從電磁輻射的角度來看,圖3中存在陰影的A1區域是存在高電流變化率dI/dt的回路部分,這個回路將生成最多的高頻成分,因而在Buck轉換器的EMI設計中是需要被重點考慮的最關鍵部分。圖中A2區域的電流變化率dI/dt就沒有A1區域的高,因而生成的高頻雜訊也就比較少。
圖3
當進行Buck轉換器的PCB佈局設計時,A1區域的面積就應當被設計得盡可能地小。
- 輸入和輸出的濾波處理
在理想狀況下,輸入、輸出電容對於Buck轉換器的開關電流來說都具有極低的阻抗。但在實際上,電容都存在ESR和ESL,它們都增加了電容的阻抗,並且導致上面出現額外的高頻電壓跌落。這種電壓跌落將在電源供應線路上和負載連接電路上形成相應的電流變化,見圖4。
圖4
由於Buck轉換器輸入電流的不連續特性和實際為轉換器供電的電源線通常都很長的緣故,輸入回路A3所造成的輻射也可能是很可觀的,並且可導致超出規格的傳導輻射(在150kHz~30MHz頻段),不能通過電磁相容(EMC)的傳導測試檢驗。
為了降低輸入電容CIN造成的電壓跌落,可在靠近Buck IC的地方放置多種不同尺寸的低ESR的MLCC電容,例如可將1206封裝的2x10µF和0603或0402封裝的22nF~100nF電容結合起來使用。為了降低輸入回路的雜訊,強烈建議在輸入線上添加額外的LC濾波器。當使用純電感作為L2時,就有必要添加電解電容C3以抑制電源輸入端可能出現的振鈴信號,確保輸入電源的穩定。
為了對輸出進行濾波,也要使用多種不同尺寸的MLCC電容作為輸出電容Cout。小尺寸的0603或0402的22nF~100nF的電容可以很好地阻止源於開關切換節點的高頻雜訊經由電感L1的寄生電容耦合到輸出端。額外增加的高頻磁珠可防止輸出回路變成有效的環形天線,但需要注意的是這方法可能使轉換器的負載瞬態回應特性和負載調整特性變差。假如應用中的負載在這方面有嚴格要求,那就不要使用磁珠,可以直接將轉換器盡可能地靠近負載,通過對銅箔的優化佈置使環路的面積達到最小化。
圖5:BUCK轉換器的輸入、輸出濾波處理
- 降低轉換器的開關切換速度
假如通過PCB佈局和濾波設計的優化仍然不能讓一個Buck轉換電路的輻射水準低於需要的水準,那就只能在降低轉換器的開關切換速度上想辦法,這對降低其輻射水準是很有幫助的。
為了理解這能導致多大程度的改進,我們需要對不連續電流脈衝的高頻成分進行一番探討。圖6左側顯示的是簡化為梯形了的電流波形,其週期為TPERIOD,脈衝寬度為TW,脈衝上升/下降時間為TRISE。從頻域來看此信號,其中含有基頻成分和很多高次諧波成分,通過傅裡葉分析可以知道這些高頻成分的幅度和脈衝寬度、上升/下降時間之間的關係,這種關係被表現在圖6的右側。
圖6:脈衝波形的諧波成分
圖6中的頻率值是基於一個具有800kHz頻率的開關信號而得出的,該信號的脈衝寬度為320ns,具有10ns的上升/下降時間。
EMI輻射問題常常發生在50MHz~300MHz頻段。通過增加上升和下降時間可將fR的位置向低頻方向移動,而更高頻率信號的強度將以40dB/dec的速度快速降低,從而改善其輻射狀況。在低頻段,較低的上升和下降速度所導致的改善是很有限的。
在自舉電路上增加串聯電阻
開關切換波形的上升時間取決於上橋MOSFET Q1的導通速度。Q1是受浮動驅動器驅動的,該驅動器的供電來自於自舉電容Cboot。在集成化的Buck轉換器中,Cboot由內部的穩壓器進行供電,其電壓通常為4V~5V。
見圖7左側。
圖7:在自舉電路上增加串聯電阻
通過降低上橋MOSFET開關的導通速度可使Buck轉換器開關波形和電流脈衝的上升時間增加,這可通過給Cboot增加一隻串聯電阻Rboot來實現,如圖7所示。Rboot的取值與上橋MOSFET的尺寸有關,對於大多數應用來說,5~10Ω就足夠了。對於較小的MOSFET,它們具有較高的Rdson,較大的Rboot值是容許的。在高占空比的應用中,太大的Rboot值可能導致Cboot充電不足,甚至可能導致電流檢測電路的不穩定。另外,較低的MOSFET導通速度也將增加開關損耗,從而導致效率的下降。
在MOSFET外置的設計中,電阻可被串接到上橋MOSFET的柵極上,這就可以同時增加上橋的導通時間和截止時間。
當上橋MOSFET Q1被關斷的時候,電感電流會對Q1的寄生輸出電容進行充電,同時對Q2的寄生輸出電容進行放電,直至開關切換節點電位變得低於地電位並使Q2的體二極體導通。因此,下降時間基本上是由電感峰值電流和開關節點上的總寄生電容所決定的。
圖8顯示出了一個常規設計中的Buck轉換器IC中的寄生元件。
圖8
這些寄生電容是由MOSFET的Coss和相對於基底之間的電容共同構成的,另外還有寄生電感存在於從IC引腳到晶圓內核之間的連接線上,這些寄生元件和PCB佈局所導致的寄生電感與輸入濾波電容上的ESL一起將導致開關切換波形上的高頻振鈴信號。當MOSFET Q1導通時,開關節點信號上升沿的振鈴信號主要就由Q2的Coss和MOFET開關切換路徑上的總寄生電感(LpVIN + LpGND+ LpLAYOUT + ESLCIN)導致。當MOFET Q1截止時,開關節點信號下降沿的振鈴信號主要由Q1的Coss和下橋MOSFET源極到地之間的寄生電感(LpGND)導致。
圖9
圖9顯示了一個具有快速上升時間和下降時間的開關節點波形,其上升沿和下降沿都存在振鈴信號。由於寄生電感中的儲能等於½∙I2∙Lp,所以振鈴信號的幅度將隨負載電流的增加而增加。此信號的頻率範圍通常在200~400MHz之間,可導致高頻EMI輻射。過度的振鈴信號通常意味著較大的寄生電感,說明需要對PCB佈局設計進行檢查、修正,以便對環路較大或對VIN和/或地線路太窄的問題予以修正。元件的封裝也會影響振鈴狀況,打線方式的封裝會有比晶圓倒裝方式的封裝更大的寄生電感存在,因為邦定線的電感會大於焊點的電感,其表現就會更差一些。
RC緩衝抑制電路
添加RC緩衝電路可有效地抑制振鈴現象,同時會造成開關切換損耗的增加。
RC緩衝電路應當放置在緊靠開關節點和功率地處。在使用外部MOSFET開關的Buck轉換器中,RC緩衝電路應當直接跨過下橋MOSFET的漏極和源極放置。
圖10示範了RC緩衝電路的放置位置。

圖10
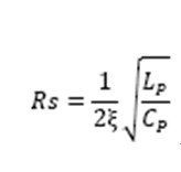
緩衝電阻Rs的作用是對寄生LC振盪電路的振盪過程施加足夠的抑制能力,其取值取決於意欲施加的抑制強度和L、C寄生元件的參數,可由下式予以確定 :
其中,ξ是抑制因數。通常,ξ的取值在0.5(輕微抑制)到1(重度抑制)之間。寄生參數Lp和Cp的值通常是未知的,但可通過下述方法進行測量 :
- 在信號上升沿測量原始振鈴信號的頻率fRING。
- 在開關節點和地之間增加一個小電容,這可讓振鈴信號的頻率得到降低。持續增加電容,直至振鈴信號的頻率降低到原始振鈴頻率的50%。
- 降低到50%的振鈴信號頻率意味著總諧振電容的大小是原始電容量的4倍。因此,原始電容Cp的值便是新增電容量的1/3。
- 這樣就能求得寄生電感Lp的值 :
RC緩衝電路中的串聯電容Cs需要足夠大,以便讓抑制電阻能在電路諧振期間表現出穩定的諧振抑制效果。如果這個電容的值太大,它在每個開關週期中的充電和放電過程就會導致過大的功率消耗。所以,Cs的取值通常以電路寄生電容的值的3~4倍為宜。
除了可以對諧振產生抑制,RC平滑抑制電路還可以輕微地降低開關切換波形上升和下降的速度。除此以外,對平滑抑制電容的充電和放電過程還會導致開關狀態變換期間出現額外的開關切換電流尖峰,這可在低頻區域引起新的EMI問題。
當使用了RC平滑抑制電路以後,應當確保要對電路的總功率損失進行檢查。轉換器的效率是必然會下降的,這在開關切換工作頻率很高和輸入電壓很高的時候表現尤甚。
RL緩衝抑制電路
一種不容易想到的抑制開關回路振鈴信號的方法是在諧振電路上增加一個串聯的RL緩衝抑制電路,這種做法如圖11所示。添加此電路的目的是要在諧振電路中引入少量的串聯阻抗,但卻足夠提供部分抑制作用。基於開關切換電路的總阻抗總是很低的事實,抑制電阻Rs可以用得很小,大概是1Ω或是更小的量級。電感Ls的選擇依據是能在比諧振頻率低的頻段提供很低的阻抗,實際上就是要在低頻段上對抑制電阻提供短路作用。由於振鈴信號的頻率通常總是很高,需要使用的電感也就可以很小,大概就是幾個nH的量級,甚至可用幾個mm長的PCB銅箔路徑代替,這樣做並不會導致明顯增加的環路面積。也有可能用很小的磁珠來替代這個電感,讓它和Rs並聯在一起。當這麼做的時候,這個磁珠應在低於諧振頻率的低頻上具有很低的阻抗,同時還要具有足夠的電流負載能力,以便能夠承載輸入端的有效電流。
圖11
RL緩衝抑制電路最好是被放置在緊靠功率級的輸入節點上。RL抑制電路帶來的一個不足是它會在高頻區域為開關回路引入一個阻抗,當開關狀態發生快速變換的時候,切換中的電流脈衝會在電阻Rs上形成一個短時的電壓毛刺,從而在功率級的輸入節點上也出現一個小小的毛刺。假如輸入端的電壓毛刺使電壓變得太高或太低,功率級的開關切換或IC的工作就會受到影響。因此,當加入了RL緩衝抑制電路的時候,一定要在最大負載狀態下對輸入節點上的電壓毛刺情況進行檢查,避免由此可能帶來的問題發生。
資料來源 : 立錡科技電子報
評論
王萬智
2019年8月27日